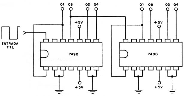
Las salidas de este circuito son en BCD, debiendo, por lo tanto, ser decodificadas para la aplicación en display. La alimentación es de 5V y de la salida del segundo 7490 puede excitarse un tercero, extendiendo así el conteo hasta 999.

Las salidas de este circuito son en BCD, debiendo, por lo tanto, ser decodificadas para la aplicación en display. La alimentación es de 5V y de la salida del segundo 7490 puede excitarse un tercero, extendiendo así el conteo hasta 999.
