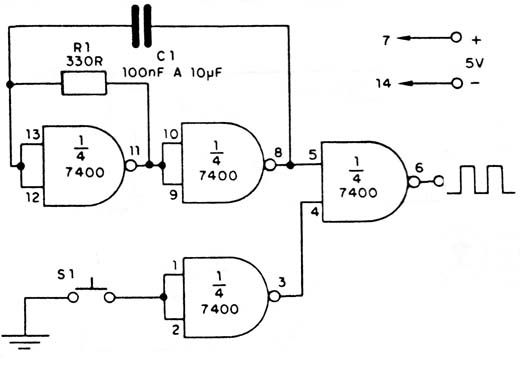
Sólo hay sena! de salida en este circuito cuando se mantiene presionado S1. La frecuencia de la sena! obtenida en el pin 6 depende del valor del capacitor C1 que puede estar entre 100 nF y 10 µF para la banda de audio. La alimentación debe efectuarse con tensión de 5V.




