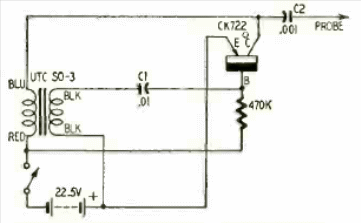
Este simple inyector de señal fue publicado en la revista Radio Electronics en diciembre de 1955. La frecuencia la da el capacitor y la señal generada es rica en armónicos.

Este simple inyector de señal fue publicado en la revista Radio Electronics en diciembre de 1955. La frecuencia la da el capacitor y la señal generada es rica en armónicos.
