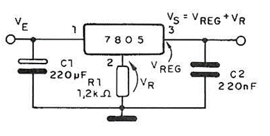
En la figura mostramos cómo aumentar la tensión de salida de un regulador 78xx. La resistencia se calcula mediante la siguiente fórmula, donde Vs es la tensión de salida deseado y Vreg es la tensión del regulador utilizado, el XX del 78xx.

En la figura mostramos cómo aumentar la tensión de salida de un regulador 78xx. La resistencia se calcula mediante la siguiente fórmula, donde Vs es la tensión de salida deseado y Vreg es la tensión del regulador utilizado, el XX del 78xx.
