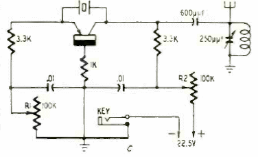
Este transmisor de corto alcance, de corto alcance y controlado por cristal se encontró en la revista Radio Electronics de julio de 1955. El transistor puede ser el OC50 o el equivalente de la época.

Este transmisor de corto alcance, de corto alcance y controlado por cristal se encontró en la revista Radio Electronics de julio de 1955. El transistor puede ser el OC50 o el equivalente de la época.
