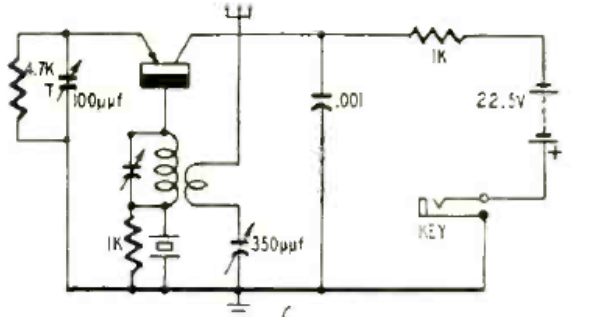
Este circuito controlado por cristal puede operar hasta unos pocos megahertz. Encontrado en un Radio Electronics de julio de 1955. Tenga en cuenta el uso de una batería de 22,5 V. El transistor puede ser el OC50 o el OC51.

Este circuito controlado por cristal puede operar hasta unos pocos megahertz. Encontrado en un Radio Electronics de julio de 1955. Tenga en cuenta el uso de una batería de 22,5 V. El transistor puede ser el OC50 o el OC51.
