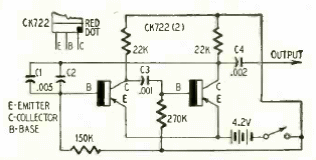
Este circuito inyector de señal de dos transistores apareció en la revista Radio Electronics de junio de 1955. La frecuencia la determinan los dos capacitores y los transistores son del tipo CK722.

Este circuito inyector de señal de dos transistores apareció en la revista Radio Electronics de junio de 1955. La frecuencia la determinan los dos capacitores y los transistores son del tipo CK722.
