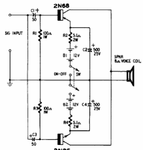
Encontramos este paso en una documentación antigua. Los transistores son de la época y la fuente de alimentación simétrica.

Paso en simetría complementaria
Encontramos este paso en una documentación antigua. Los transistores son de la época y la fuente de alimentación simétrica.
