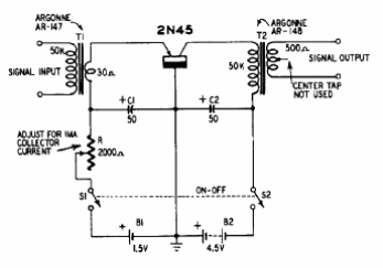
Encontrado en una antigua documentación americana, este paso tiene como entrada y salida el acoplamiento de los transformadores. Se utilizan dos fuentes.

Paso de base común con transformador
Encontrado en una antigua documentación americana, este paso tiene como entrada y salida el acoplamiento de los transformadores. Se utilizan dos fuentes.
