Esta luz rítmica simple para lámparas incandescentes se encontró en documentación inglesa antigua. Los capacitores pueden ser de poliéster de 100 nF. El SCR puede ser el TIC106.

Luz rítmica
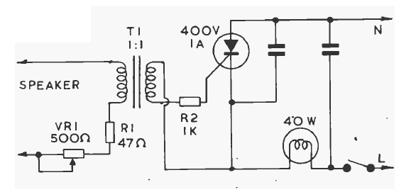
Esta luz rítmica simple para lámparas incandescentes se encontró en documentación inglesa antigua. Los capacitores pueden ser de poliéster de 100 nF. El SCR puede ser el TIC106.
