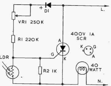
Este circuito activa una lámpara incandescente cuando la luz deja de caer sobre el sensor. El circuito puede utilizar SCR de la serie 106 para controlar lámparas de hasta 300 W.

Luz automática
Este circuito activa una lámpara incandescente cuando la luz deja de caer sobre el sensor. El circuito puede utilizar SCR de la serie 106 para controlar lámparas de hasta 300 W.
