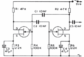
Este circuito genera señales cuya frecuencia depende de C1 y C2. Los JFET son tipos comunes como BF245 o MPF102.
Este circuito se obtuvo de la documentación anterior y tiene una configuración muy simple de 6 o...
Este circuito simple fue encontrado en la revista Radio Electronics de octubre de 1979. La...
Este circuito es de una Electronics Now, americana de diciembre de 1992. La revista ya no existe,...