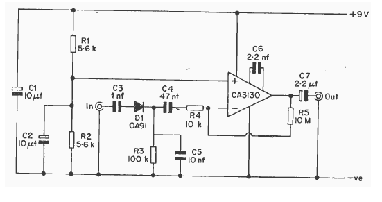
Encontramos este circuito en una publicación en inglés de 1977. El circuito no necesita una fuente de alimentación simétrica y emplea un cristal de alta impedancia o un auricular magnético.

Seguidor de señales CA3130
Encontramos este circuito en una publicación en inglés de 1977. El circuito no necesita una fuente de alimentación simétrica y emplea un cristal de alta impedancia o un auricular magnético.
