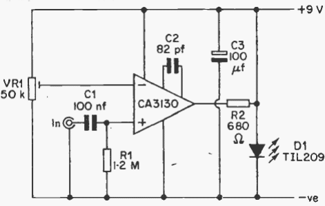
La base de este circuito de los 90 es un amplificador operacional CA3130. El circuito no necesita una fuente simétrica y el ajuste del punto de activación se realiza en VR1.

Indicador de pico de audio
La base de este circuito de los 90 es un amplificador operacional CA3130. El circuito no necesita una fuente simétrica y el ajuste del punto de activación se realiza en VR1.
