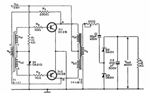
Este inversor de tensión se encontró en un manual Mullard de 1960. Los transistores son de esa época. No se da información sobre transformadores. La corriente de salida máxima es del orden de 250 mA.

Inversor
Este inversor de tensión se encontró en un manual Mullard de 1960. Los transistores son de esa época. No se da información sobre transformadores. La corriente de salida máxima es del orden de 250 mA.
