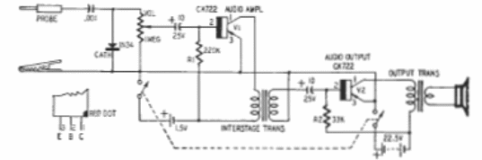
Este seguidor de señal se obtuvo de un manual de Raytheon de la década de 1960. El transistor está hecho de germanio y los transformadores son tipos comunes en ese momento.

Seguidor de señal
Este seguidor de señal se obtuvo de un manual de Raytheon de la década de 1960. El transistor está hecho de germanio y los transformadores son tipos comunes en ese momento.
