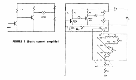
Encontramos este circuito en un manual de Raytheon de 1956. Los transistores son el germanio de la época y la precisión depende de los resistores.

Voltímetro transistorizado
Encontramos este circuito en un manual de Raytheon de 1956. Los transistores son el germanio de la época y la precisión depende de los resistores.
