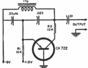
Esta configuración de oscilador de Colpitts se encontró en el manual de circuitos de Raytheon de la década de 1960. La frecuencia depende del inductor que eventualmente puede ser la bobina de alta impedancia de un auricular.

Oscilador con 1 transistor



