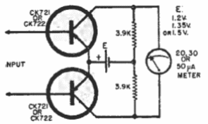
Este amplificador con dos transistores para instrumentos analógicos se encontró en una publicación de Raytheon de la década de 1960. Los transistores son tipos de germanio en ese momento.

Amplificador DC 2
Este amplificador con dos transistores para instrumentos analógicos se encontró en una publicación de Raytheon de la década de 1960. Los transistores son tipos de germanio en ese momento.
