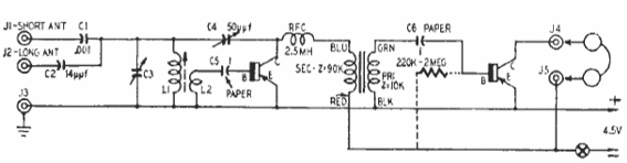
Este receptor utiliza uno de los primeros tipos de transistores disponibles en el mercado, el CK722, pero se puede implementar con otros. El circuito es de un manual de Raytheon de la década de 1960.

Receptor regenerativo
Este receptor utiliza uno de los primeros tipos de transistores disponibles en el mercado, el CK722, pero se puede implementar con otros. El circuito es de un manual de Raytheon de la década de 1960.
