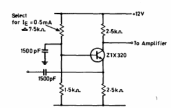
Este circuito se encontró en el manual de transistores Ferranti de 1974. El circuito tiene una impedancia de entrada baja y una impedancia de salida alta.

Adaptador de impedancia
Este circuito se encontró en el manual de transistores Ferranti de 1974. El circuito tiene una impedancia de entrada baja y una impedancia de salida alta.
