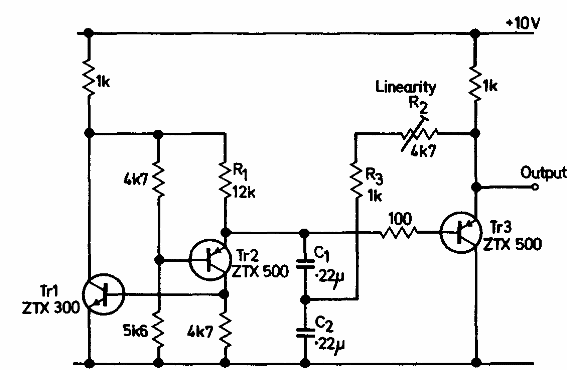
Este circuito tiene una corrección o ajuste de linealidad. Lo encontramos en el manual de transistores de Ferranti de 1974. Los transistores son tipos de propósito general en ese momento.

Generador de rampa con corrección
Este circuito tiene una corrección o ajuste de linealidad. Lo encontramos en el manual de transistores de Ferranti de 1974. Los transistores son tipos de propósito general en ese momento.
