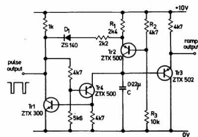
Encontrado en el manual de transistores de Ferranti de 1974, este circuito es una versión auto-oscilante del anterior. Los transistores son tipos comunes en ese momento.

Generador de rampa
Encontrado en el manual de transistores de Ferranti de 1974, este circuito es una versión auto-oscilante del anterior. Los transistores son tipos comunes en ese momento.
