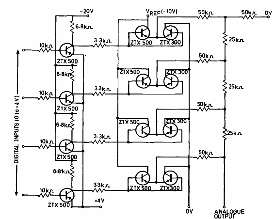
Este circuito se encontró en el manual de transistores de Ferranti de 1974. Los transistores son de propósito general en ese momento.

Convertidor analógico a digital
Este circuito se encontró en el manual de transistores de Ferranti de 1974. Los transistores son de propósito general en ese momento.
