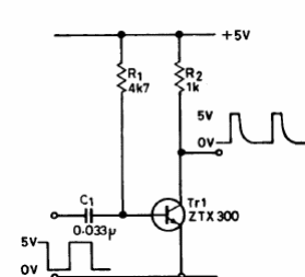
Este circuito se encontró en el manual de transistores de Ferranti de 1974. El circuito es para aplicaciones no críticas y el capacitor depende de la sincronización de las señales.

Monoestable de 1 transistor
Este circuito se encontró en el manual de transistores de Ferranti de 1974. El circuito es para aplicaciones no críticas y el capacitor depende de la sincronización de las señales.
