Con los componentes indicados, este circuito oscila a 1232 Hz. Tenga en cuenta la tolerancia de los componentes. El circuito es de un manual de transistores Ferranti de 1974.

Astable de Bowes
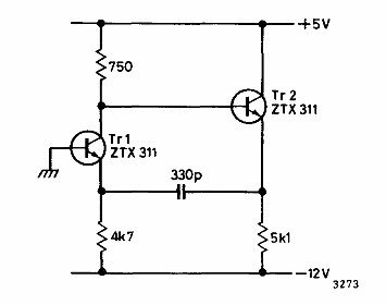
Con los componentes indicados, este circuito oscila a 1232 Hz. Tenga en cuenta la tolerancia de los componentes. El circuito es de un manual de transistores Ferranti de 1974.
