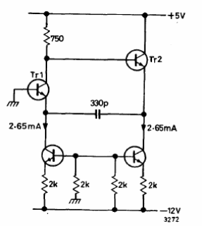
Esta configuración astable diferente se encontró en uno en un manual de transistores Ferranti de 1974. Los transistores son tipos de propósito general en ese momento.

Astable de 1 MHz
Esta configuración astable diferente se encontró en uno en un manual de transistores Ferranti de 1974. Los transistores son tipos de propósito general en ese momento.
