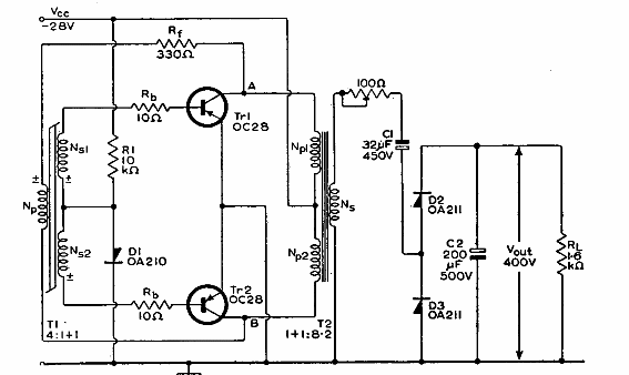
Este circuito inversor de tensión se encontró en un manual de transistores Mullard de 1960. Se proporcionó información sobre los transformadores. Los transistores están hechos de germanio.

Doblador de tensión
Este circuito inversor de tensión se encontró en un manual de transistores Mullard de 1960. Se proporcionó información sobre los transformadores. Los transistores están hechos de germanio.
