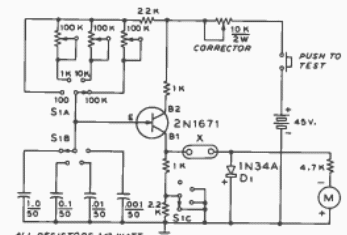
Este circuito fue encontrado en documentación de 1977. Consiste en un puente de capacitancias utilizando un indicador de escala completa de 50 uA.

Capacímetro
Este circuito fue encontrado en documentación de 1977. Consiste en un puente de capacitancias utilizando un indicador de escala completa de 50 uA.
