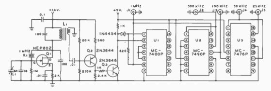
Encontramos este circuito en una documentación de radio de 1977. El circuito usa divisores de frecuencia TTL de la época.

Calibrador de cristal de precisión
Encontramos este circuito en una documentación de radio de 1977. El circuito usa divisores de frecuencia TTL de la época.
