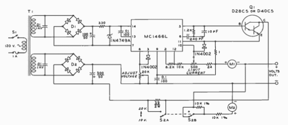
Esta fuente variable de corriente limitada se encontró en un libro de 1977. Los diodos están de acuerdo con la corriente que es del orden de 200 mA solamente.

Fuente variable
Esta fuente variable de corriente limitada se encontró en un libro de 1977. Los diodos están de acuerdo con la corriente que es del orden de 200 mA solamente.
