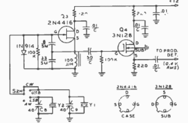
Este oscilador de frecuencia de batido para receptores se encontró en una documentación para radioaficionados de 1977. Los componentes son de la época.

BFO
Este oscilador de frecuencia de batido para receptores se encontró en una documentación para radioaficionados de 1977. Los componentes son de la época.
