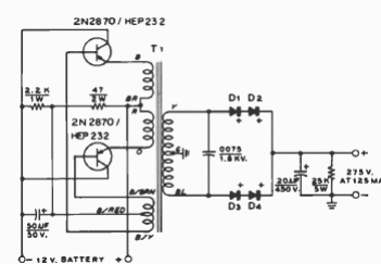
Encontrado en una publicación de radioaficionados de 1977, este circuito utiliza transistores de potencia de la época. No hay información sobre el transformador.

Inversor para 12 V
Encontrado en una publicación de radioaficionados de 1977, este circuito utiliza transistores de potencia de la época. No hay información sobre el transformador.
