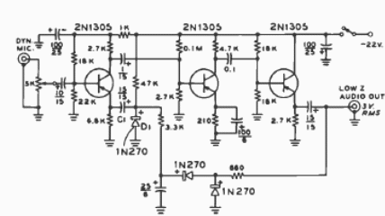
Este circuito se encontró en una publicación para radioaficionados de 1977. Los transistores son tipos comunes de propósito general en ese momento.

Compresor dinámico
Este circuito se encontró en una publicación para radioaficionados de 1977. Los transistores son tipos comunes de propósito general en ese momento.
