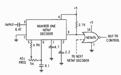
En la figura tenemos un circuito PLL básico con el LM567 o equivalente. El circuito es de una documentación de 1977.
Una fuente de luz monocromática (color único o frecuencia única) puede ser útil en el laboratorio de...
Una lámpara neón polarizada cerca del punto de disparo se convierte en un sensible detector de...
Los circuitos integrados LM317 (1,5 A) y LM350 (3 A) son reguladores de tensión de 3 terminales...