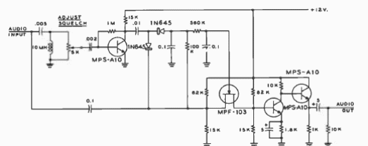
Este silenciador o squelch está destinado a eliminar el silbido de los receptores cuando no se recibe ninguna señal. El circuito es de una documentación de 1977, utilizando componentes de la época.

Silenciador
Este silenciador o squelch está destinado a eliminar el silbido de los receptores cuando no se recibe ninguna señal. El circuito es de una documentación de 1977, utilizando componentes de la época.
