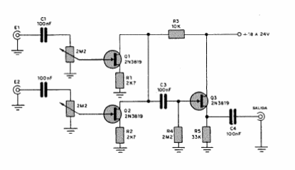
Esta configuración con transistores JFET es bien conocida y se puede encontrar con variaciones en otras partes de este sitio. Los FET admiten equivalentes de propósito general.

Mezclador con FETs
Esta configuración con transistores JFET es bien conocida y se puede encontrar con variaciones en otras partes de este sitio. Los FET admiten equivalentes de propósito general.
