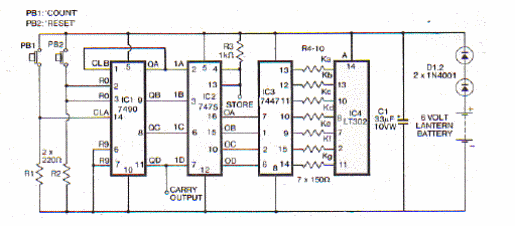
Este módulo contador TTL tradicional se encuentra en la documentación de Internet. La fuente de alimentación debe ser de 5 V y la pantalla es un ánodo común.

Módulo contador
Este módulo contador TTL tradicional se encuentra en la documentación de Internet. La fuente de alimentación debe ser de 5 V y la pantalla es un ánodo común.
