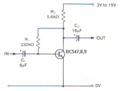
En la figura tenemos un paso de amplificador simple para transistores de la serie BC547. La ganancia es aproximadamente 200 veces con un suministro de 9V.

Paso amplificador
En la figura tenemos un paso de amplificador simple para transistores de la serie BC547. La ganancia es aproximadamente 200 veces con un suministro de 9V.
