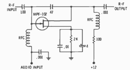
Encontramos este circuito en un Radio Handbook de 1977. El circuito se basa en FET de juntura que todavía es común en la actualidad.

Modulador de fase
Encontramos este circuito en un Radio Handbook de 1977. El circuito se basa en FET de juntura que todavía es común en la actualidad.
