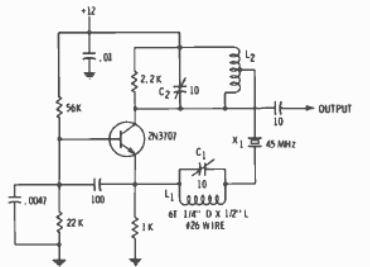
Este oscilador de frecuencia variable se obtuvo de un Radio Handbook de 1977. El transistor admite un equivalente moderno. Las bobinas dependen del rango de frecuencia generado.

OFV
Este oscilador de frecuencia variable se obtuvo de un Radio Handbook de 1977. El transistor admite un equivalente moderno. Las bobinas dependen del rango de frecuencia generado.
