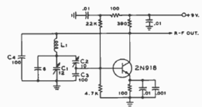
Este oscilador de 30 MHz se encontró en un Radio Handbook de 1977. Los capacitores deben ser cerámicos y el transistor es un tipo del tiempo.

Oscilador Vackar
CIR22204S
Este oscilador de 30 MHz se encontró en un Radio Handbook de 1977. Los capacitores deben ser cerámicos y el transistor es un tipo del tiempo.

CIR22204S