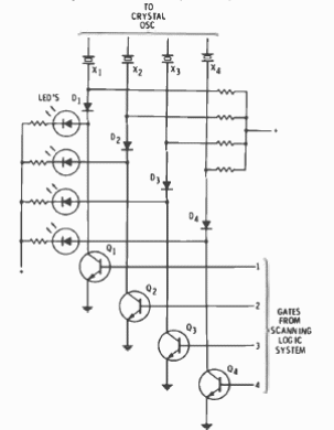
Este circuito selecciona cristales en un receptor o transmisor de comunicaciones. Los transistores son de propósito general. El circuito es de un Radio Handbook de 1977.

Selector de cristal
Este circuito selecciona cristales en un receptor o transmisor de comunicaciones. Los transistores son de propósito general. El circuito es de un Radio Handbook de 1977.
