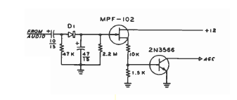
Este circuito, como el anterior, fue tomado de un Radio Handbook 1977. Los componentes son comunes y se pueden usar equivalentes.

AGC 2
Este circuito, como el anterior, fue tomado de un Radio Handbook 1977. Los componentes son comunes y se pueden usar equivalentes.
