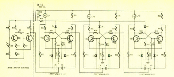
Este circuito experimental didáctico se encontró en una Popular Electronics de mayo de 1968. Los transistores son de uso general en ese momento. Las lámparas se pueden reemplazar por LED en una versión moderna.

Contador binario

Contador binario
Este circuito experimental didáctico se encontró en una Popular Electronics de mayo de 1968. Los transistores son de uso general en ese momento. Las lámparas se pueden reemplazar por LED en una versión moderna.

