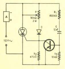
Encontramos este control de potencia en una Popular Electronics de mayo de 1967. El transistor es un PNP de propósito general para al menos 50 V. El SCR depende de la carga controlada.

Control con SCR
Encontramos este control de potencia en una Popular Electronics de mayo de 1967. El transistor es un PNP de propósito general para al menos 50 V. El SCR depende de la carga controlada.
