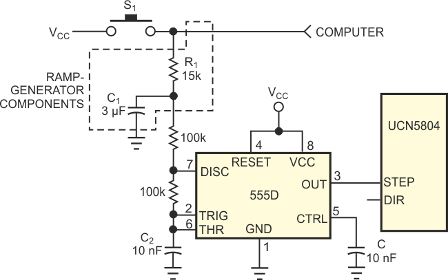
Basado en el 555, este circuito se obtuvo de la documentación de Internet, que sirve para generar una señal de rampa para un controlador de motor paso a paso UCN5804. El circuito tiene los pasos determinados por los resistores de tiempo y R1 / C1 generan la rampa.




