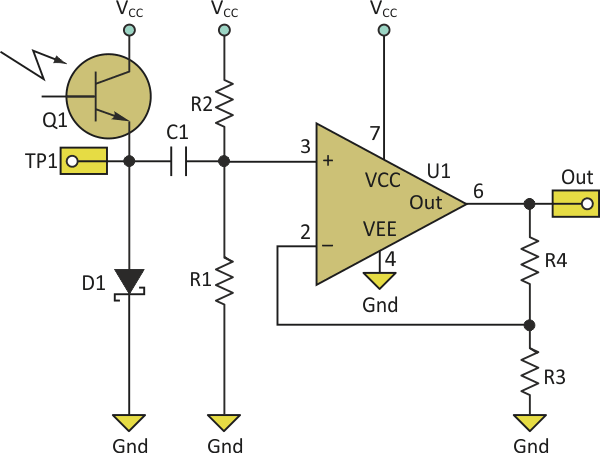
Este circuito tiene un rango dinámico similar al del ojo humano. El circuito se basa en un diodo Schottky ZLL5400, obtenido de un sitio web. El amplificador operacional puede ser de cualquier tipo y la potencia depende del operacional utilizado.

Sensor de luz de banda humana



