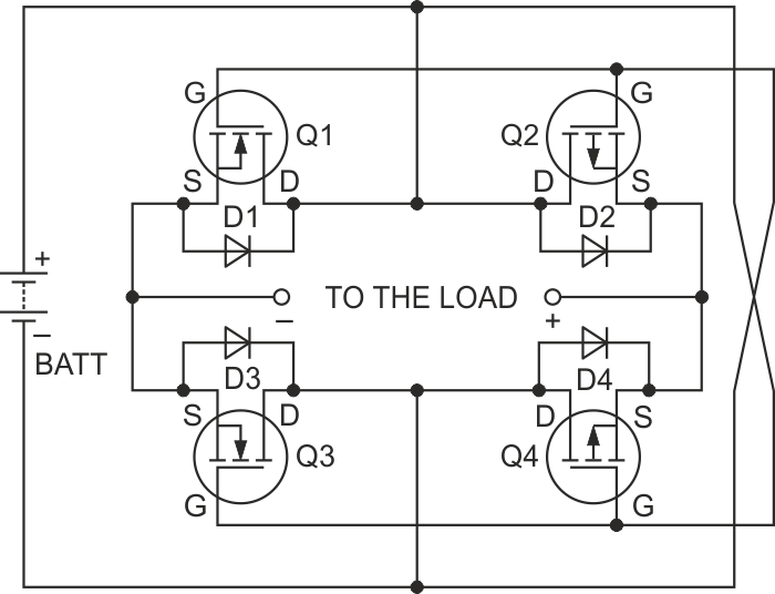
En la figura tenemos un interesante puente de protección contra la inversión de polaridad de potencia de un circuito que utiliza MOSFET de potencia. Los MOSFET deben tener corrientes de acuerdo con la carga protegida.
En la figura tenemos un interesante puente de protección contra la inversión de polaridad de potencia de un circuito que utiliza MOSFET de potencia. Los MOSFET deben tener corrientes de acuerdo con la carga protegida.