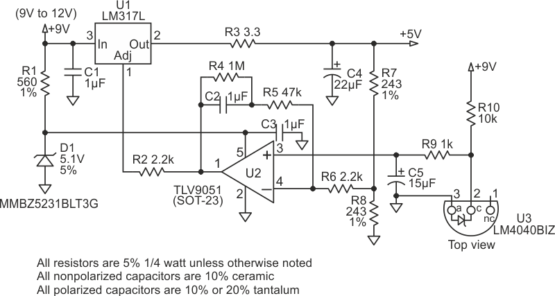
Al utilizar el LM317 (o LM350), este circuito se basa en componentes reguladores de precisión como los de Texas Instruments, de los que se obtuvo el circuito. La configuración que se muestra es específicamente para 5 V, pero se puede cambiar para otras tensiones.




